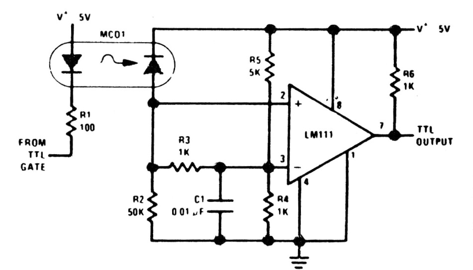
Este shield aislado es de una documentación antigua, haciendo uso de un operacional de la época. Se puede adaptar para utilizar los operacionales modernos con salida compatible con TTL y microcontroladores.
Encontramos este circuito en una documentación estadounidense de los años 80. El amplificador...
El circuito presentado se encontró en el Manual de Aplicaciones Lineales de National Semiconductor de 1994....
Este circuito se puede usar para generar señales de 300 kHz a 10 MHz, dependiendo del cristal...