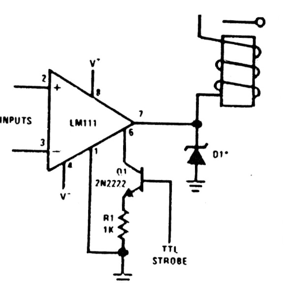
Este circuito es del manual del LM111 de los años 80. El componente no existe más, pero equivalentes con las mismas características pueden ser utilizados. El relé es del tipo sensible con baja corriente de accionamiento.

Este circuito es del manual del LM111 de los años 80. El componente no existe más, pero equivalentes con las mismas características pueden ser utilizados. El relé es del tipo sensible con baja corriente de accionamiento.
