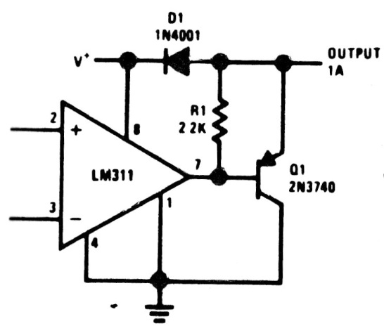
Este shield se encuentra en el manual de fábrica del LM111. Este componente es antiguo, de los años 80, pero la configuración puede ser adaptada para ser utilizada con operacionales modernos.

Este shield se encuentra en el manual de fábrica del LM111. Este componente es antiguo, de los años 80, pero la configuración puede ser adaptada para ser utilizada con operacionales modernos.
