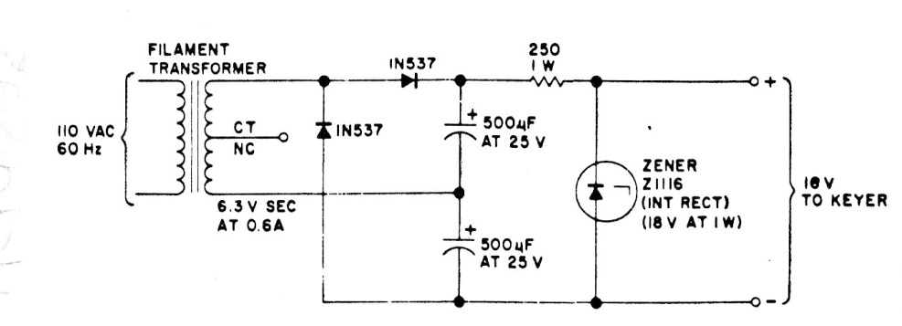
En la figura tenemos el modo de obtener una tensión de 18 V a partir de un transformador de 6,3 V con toma central La corriente depende del transformador y de los capacitores y la regulación es hecha por el diodo zener.
Encontramos este circuito en una documentación estadounidense de los años 80. El amplificador...
El circuito presentado se encontró en el Manual de Aplicaciones Lineales de National Semiconductor de 1994....
Este circuito se puede usar para generar señales de 300 kHz a 10 MHz, dependiendo del cristal...