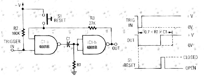
Este circuito se obtuvo en una radio electrónica de abril de 1988. La revista ya no existe, pero el circuito se puede montar fácilmente. El circuito se dispara con la transición negativa de la señal de entrada según las formas de onda mostradas en el propio dibujo.




