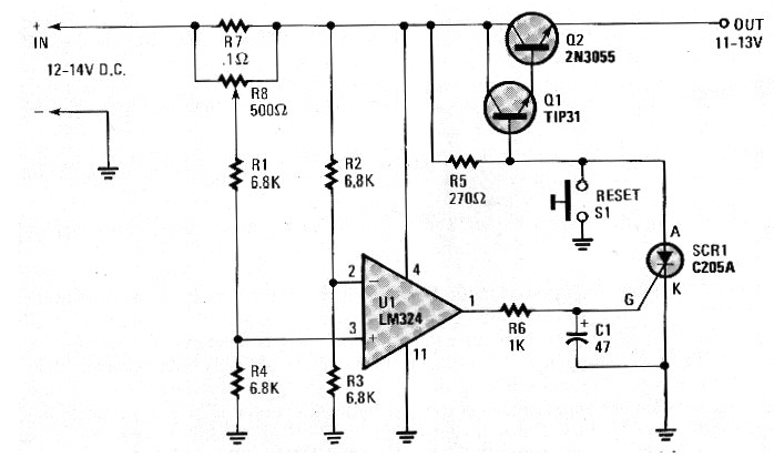
He conseguido este circuito en un Hands On Electronics de 1988. La revista americana ya no existe, pero el circuito se puede montar fácilmente. El SCR puede ser el TIC106. El circuito desconecta la fuente cuando la corriente supera el valor ajustado en R8.




