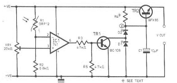
He encontrado este circuito en una revista de 1977. La revista ya no existe, pero el circuito puede ser montado utilizando un BC548 para TR1 y un BD135 para TR2. Lo que este circuito hace es aumentar el brillo de un LED o lámpara conectada en su salida cuando la luz incidente en el sensor aumenta. Esto se puede utilizar para compensar la luz ambiental en una pantalla. R4 debe obtenerse experimentalmente en el rango de 220 ohms a 2,2 k para obtener el brillo normal deseado.




