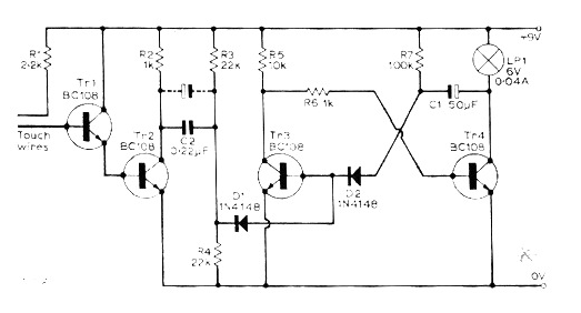
Encontramos este circuito en una revista inglesa de 1973, pero se puede montar con facilidad utilizando los transistores modernos BC548 en sustitución de los originales. Nunca alimente este circuito con fuente sin transformador. La lámpara debe tener hasta 50 mA a 9 V o 12 V.




