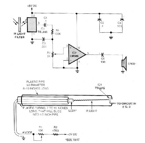
Este circuito se obtuvo en una Popular Electronics de octubre de 1998. La revista ya no existe, pero el circuito se puede montar con facilidad, ya que todos los componentes son comunes excepto el TSL245 que puede ser un poco más difícil de obtener. Este circuito produce un tono que depende de la distancia del CI en relación al LED emisor, montado en un tubo como se muestra en la figura. El circuito se alimenta con una tensión de 5 V.




