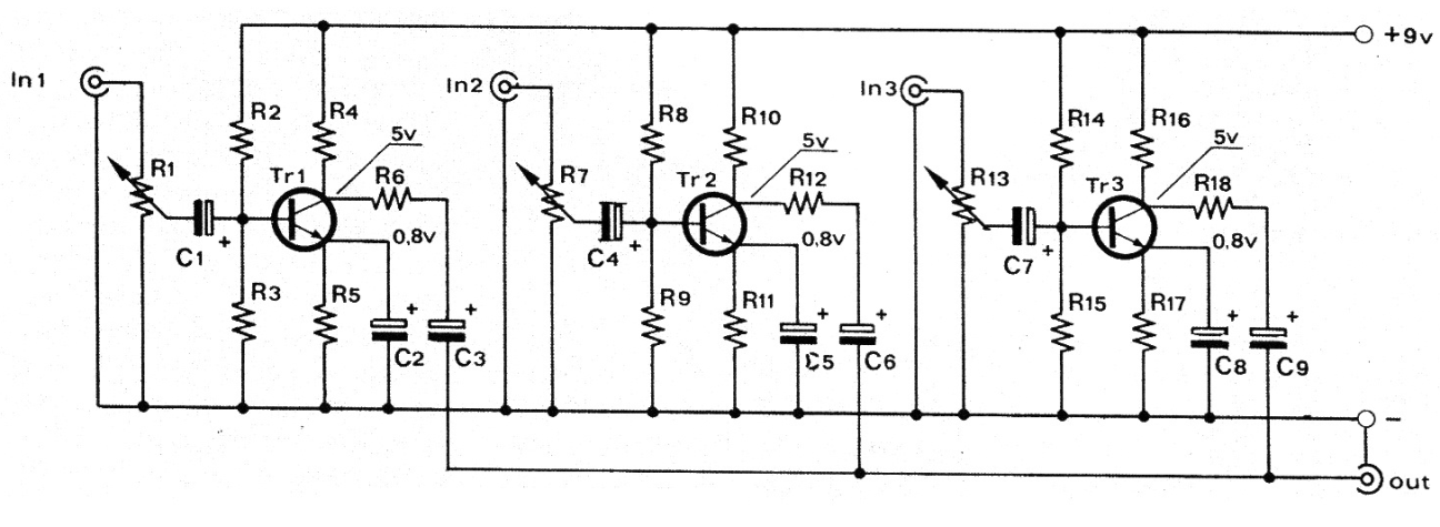
Este circuito fue encontrado en una Radio Elettronica (Italia) de abril de 1974. El transistor se puede montar todavía hoy con los transistores BC549 en lugar de los originales. El número de canales indicado es 3, pero el circuito se puede elaborar con 2 o 4 canales también. La alimentación de bajo consumo puede provenir de fuente o batería. La señal de salida está entre 1 y 10 mV.




