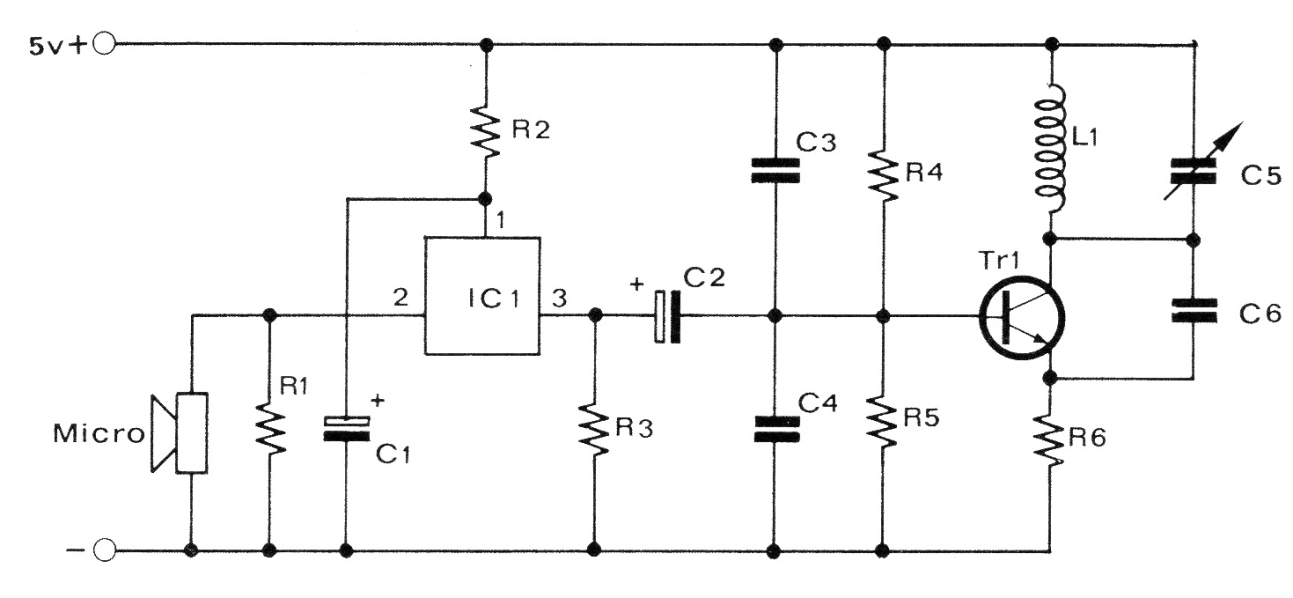
Este circuito fue encontrado en una Radio Elettronica (Italia) de abril de 1974. El circuito se puede montar aún hoy con el transistor 2N2222. Sólo el circuito integrado original es más difícil de obtener. El alcance es del orden de algunas decenas de metros y la bonina consiste en 4 espiras de hilo 26 o 28 con un diámetro de 1 cm sin núcleo. La antena debe tener de 10 a 40 cm si se utiliza y debe conectarse al colector de Q1.





