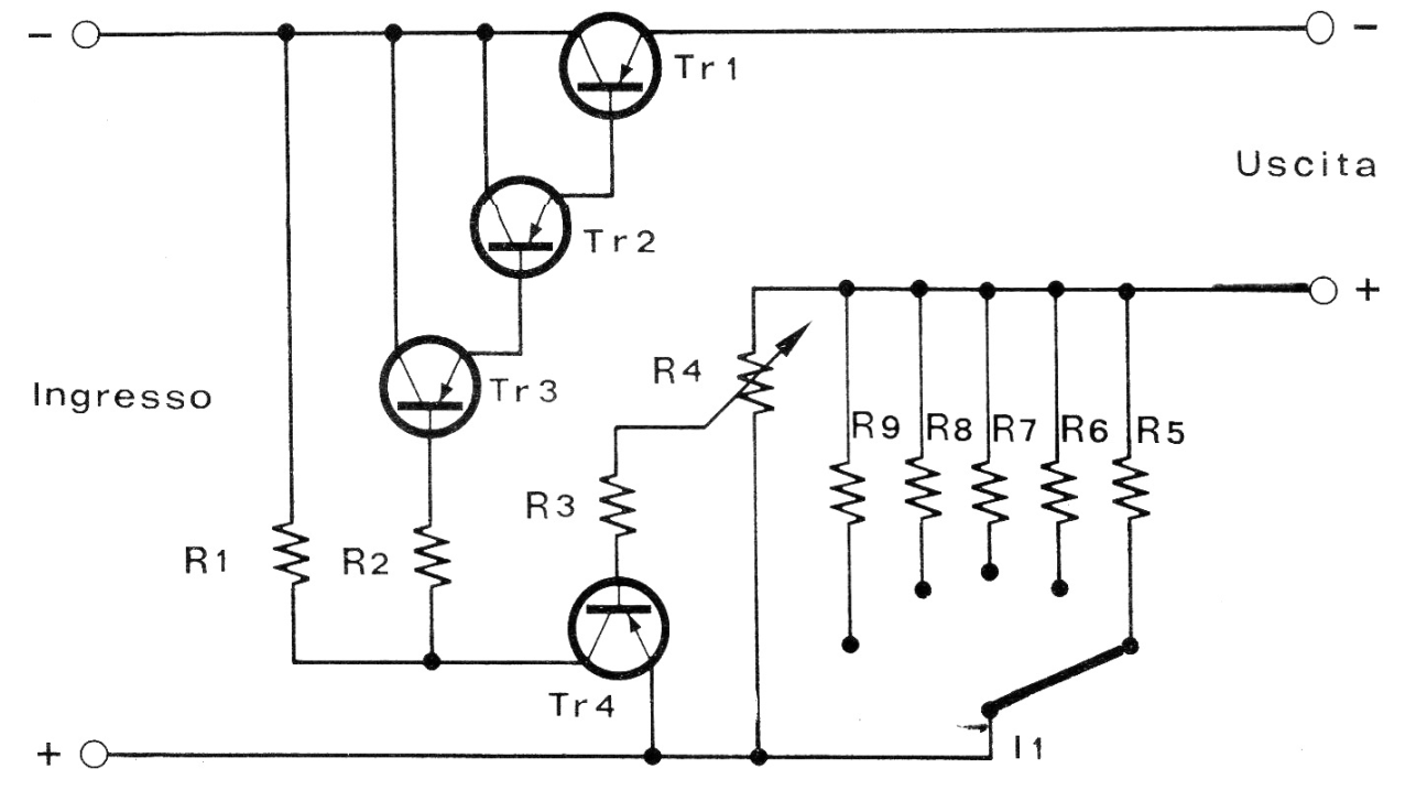
Este circuito fue encontrado en una Radio Elettronica (Italia) de abril de 1974. El circuito puede ser montado todavía hoy cambiando TR1 por un TIP32, TR2 por un BD136, TR3 y TR4 por BC558. El circuito corta la alimentación de la carga cuando la corriente ajustada en R4 y seleccionada por I1 es superada. La entrada puede quedar enre12 y 25 V y la corriente máxima es de 2 A.





