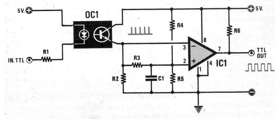
Este circuito de shield fue encontrado en una Nuova Elettronica italiana, de 1986. En él se muestra cómo es posible acoplar un circuito TTL a otro con aislamiento total.
Este circuito es de una documentación para ingenieros de 1977. El circuito utiliza como sensor un...
Encontrado en Popular Electronics de los años 90, este circuito utiliza componentes comunes en la...
Esta configuración se encontró en una antigua documentación técnica de los años 70, pero se puede...