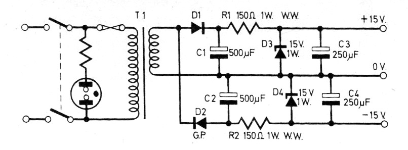
Este circuito fue encontrado en una revista inglesa de 1977. El transformador es de 15 V x 500 mA pero se pueden utilizar transformadores y otras tensiones y también zeners de acuerdo con las tensiones deseadas en la salida. El circuito está diseñado para transformadores y bobinas simples.




