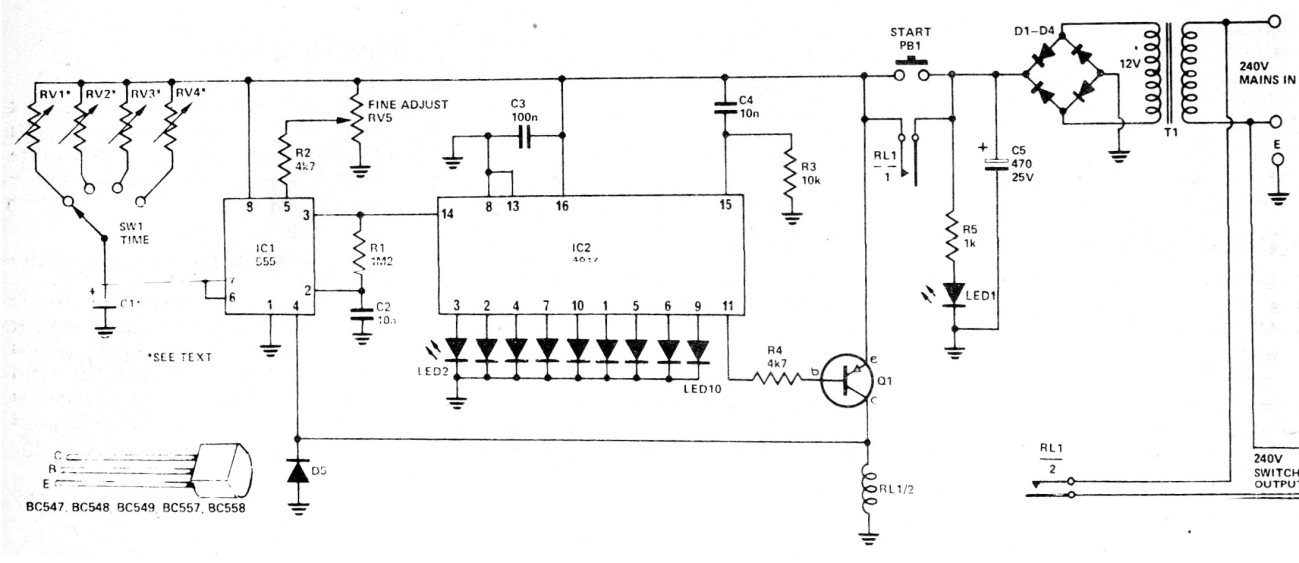
Este circuito se obtuvo en una revista inglesa de 1980, pero se puede montar con facilidad aún hoy. El transistor puede ser el BC558 y el relé de 12 V x 50 mA. El circuito acciona una carga después de un tiempo programado por la posición de la llave de selección. El circuito puede proporcionar intervalos de tiempo de hasta algunas horas con trimpots de 10k a 1 M.




