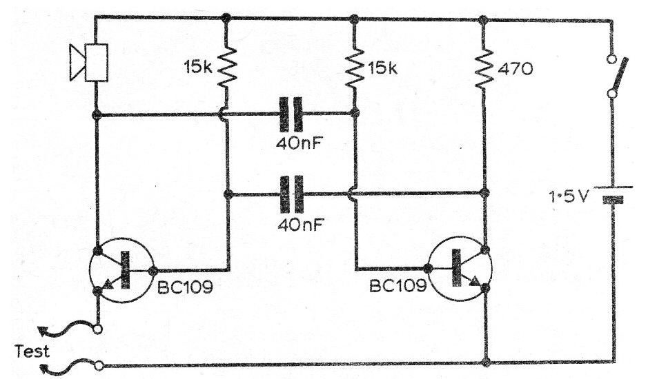
Este interesante circuito fue encontrado en una revista de 1977. La revista ya no existe, pero el circuito puede ser montado con transistores BC548 en lugar de los originales. La indicación es hecha por un auricular de alta impedancia (al menos 600 ohmios), pero en su lugar podremos usar un fo0ne piezoeléctrico con una resistencia de 1k en paralelo. La alimentación se puede realizar por una sola pila.




