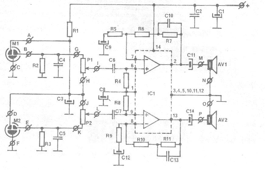
Este circuito fue encontrado en una revista Resistor, de la España de septiembre de 1986 y aún actual, a no ser por el circuito integrado que es un poco difícil de obtener. Sin embargo, el circuito se puede adaptar para utilizar dos LM386 o incluso un TDA7052 que es un amplificador doble. Un regulador de 6 V puede usarse en el primer caso y un regulador de 3 V en el segundo caso. Para la versión original, la alimentación es de 10 V con el 7810. El circuito utiliza micrófonos de electreto y pequeños altavoces de 8 a 16 ohmios en la versión original. La lista de material fue escaneada como en el original en español.





