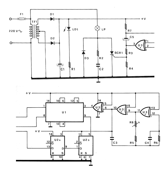
Este interesante circuito salió en una revista italiana llamada Elettronica 2000 de septiembre de 1987. El circuito hace que una lámpara incandescente "brujo" dando así un efecto de luz de vela o llama. El circuito sólo funciona con lámparas incandescentes y sigue siendo bastante actual por los componentes que utiliza. En el original el circuito es alimentado por 220 V, pero puede ser cambiado a 110 V con el cambio del transformador y de la lámpara. El SCR puede ser el TIC106 B o D.





