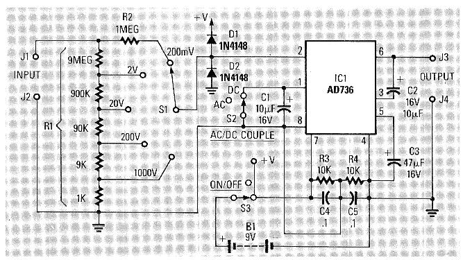
El circuito presentado salió en la revista americana Radio Electronics de diciembre de 1988. La revista ya no existe, pero si el lector encuentra el circuito integrado utilizado de Analog Devices, el proyecto se vuelve viable. Se trata de un circuito que convierte un multímetro común en multímetro True RMS con 5 escalas de tensión, según el diagrama. El circuito es alimentado por una sola batería de 9 V, con un ancho de banda de 33 kHz a 190 kHz y una impedancia de entrada de 1 M ohm. El circuito se conecta en la escala de 0-200 mV del multímetro o en una escala de 0-2 V con la lectura multiplicada de acuerdo con los fondos seleccionados en la entrada.




