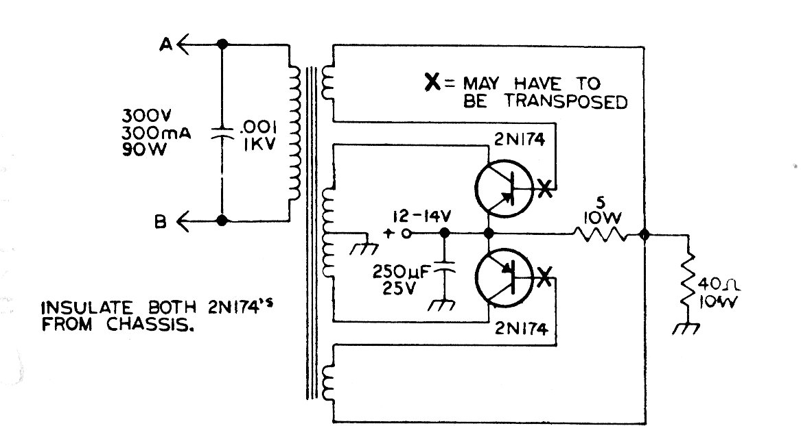
Indicado para uso automotriz en una documentación americana de 1975, este circuito utiliza componentes de la época. El transformador es componente crítico determinando las características del circuito. Los transistores deben estar dotados de buenos disipadores de calor.




