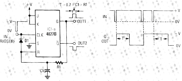
En la figura siguiente tenemos un circuito de shield monoestable que encontramos en la revista Radio Electronics de abril de 1988. Se trata de una configuración bastante interesante que ya usamos en diversos de nuestros proyectos e incluso citamos en nuestros libros. El circuito puede ser alimentado con tensiones de 5 a 15 V y la entrada consiste en la transición negativa de la señal. Una salida permanecerá en el nivel bajo por un tiempo dado por R1 y C1 según la constante de tiempo de este circuito. La otra salida permanecerá en el nivel bajo por el mismo período. La señal de redispara reinicia la temporización. La alimentación positiva es en el pin 14 y la tierra en el pin 7 para este circuito.




