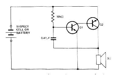
Este circuito salió en la revista inglesa Electronics Today International, en la edición de diciembre de 1975. La revista en su forma impresa ya no existe, pero se trata de un circuito interesante que merece destaque. El circuito prueba baterías de 1,5 a 9 V, proporcionando una indicación sonora de su estado. La frecuencia del sonido es dada por el condensador y el altavoz puede ser del tipo pequeño de 2,5 a 5 cm con 8 ohms de impedancia o más. Q1 puede ser un BC548 y Q2 un BC558. Observe que en la simbología utilizada para la pila o la batería, el positivo es del lado de arriba.




