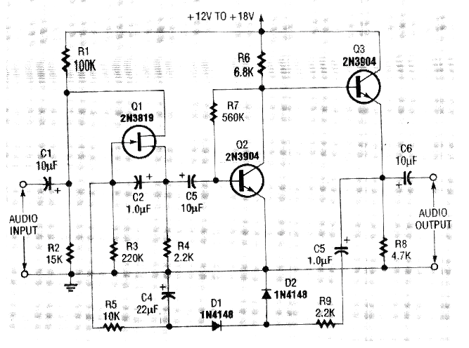
Este interesante circuito con JFET fue obtenido en una revista Electronics Now de abril de 1993. La revista ya no existe, pero el circuito es actual, ya que funciona con prácticamente cualquier FET de unión como el MPF102, BF245, etc. El circuito tiene un consumo muy bajo. Los demás transistores pueden ser los BC548. Lo que este circuito hace es aumentar la ganancia cuando la señal de audio de la entrada disminuye, de modo que su salida se mantiene con volumen constante. Se trata de un circuito muy interesante para ser utilizado con micrófonos donde la distancia del micrófono hasta la persona varía y con ello el sonido se vuelve más bajo o más alto. El circuito corrige este problema. La alimentación puede ser hecha por fuente de baja corriente.




