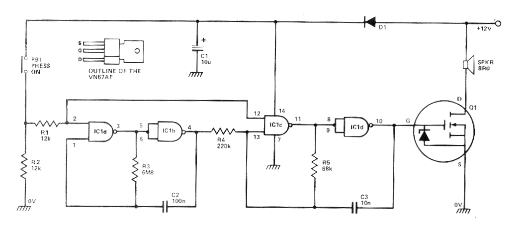
Este circuito salió en una revista Hobby Electronics de marzo de 1980. La revista ya no existe, pero el circuito es actual por los componentes que usa. Este circuito es de una sirena de 6 W potencia utilizando un circuito integrado CMOS 4011 y un MOSFET de potencia que puede ser cualquiera de la serie IRF a 5 A o más. El diodo puede ser el 1N4002 o incluso 1N4004. Los demás componentes son comunes. La alimentación se puede hacer con tensiones de 12 a 15 V y el transistor Q2 debe estar dotado de un buen radiador de calor. Q1 puede ser un BC558. Los capacitores C1 y C3 se pueden cambiar para cambiar el efecto sonoro. En el original el FET fue el VN7AF que es difícil de encontrar en nuestro mercado.




