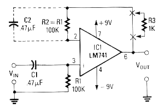
Este circuito salió en la Radio Electrónica de más de 1989. La revista ya no existe, pero el circuito es actual, mostrando cómo obtener ajuste de offset en un seguidor de tensión (ganancia unitaria) con un 741 para operación AC. Este circuito posee una alta impedancia de entrada y una baja impedancia de salida. La fuente debe ser simétrica y la tensión puede variar entre 5 y 12 V. Ver más sobre los cálculos de este tipo de circuito en la sección de Matemáticas para la electrónica del sitio. El amplificador es del tipo no inversor.




