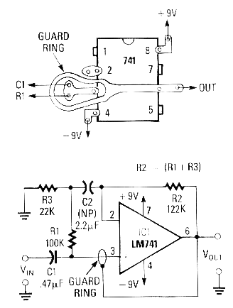
Este circuito salió en la Radio Electrónica de más de 1989. La revista ya no existe, pero el circuito es actual, mostrando cómo obtener ajuste de offset en un seguidor de tensión (ganancia unitaria) con un 741 para operación AC. Este circuito tiene una ganancia unitaria con una alta impedancia de entrada y una baja impedancia de salida. La fuente debe ser simétrica y la tensión puede variar entre 5 y 12 V. El anillo de guarda (Guard Ring) es muy importante para evitar problemas de captación de ruidos e inestabilidades en este circuito que tiene una impedancia de entrada muy alta. Se trata de un anillo hecho en la propia placa aislando la pista de señal de la entrada del operario. Ver más sobre los cálculos de este tipo de circuito en la sección de Matemáticas para la electrónica del sitio. El amplificador es del tipo no inversor.




