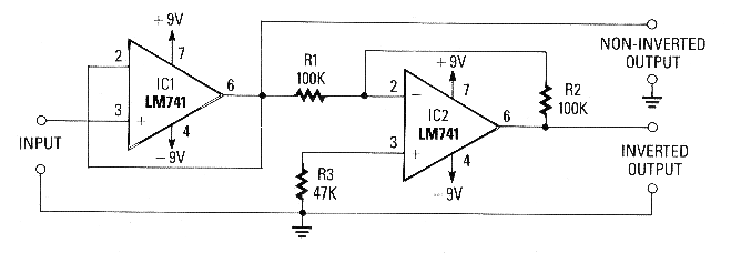
Este circuito salió en la Radio Electronics de más de 1989. La revista ya no existe, pero el circuito es actual. Este circuito proporciona señales con fases opuestas en relación a la señal aplicada a la entrada. Las dos señales tienen la misma amplitud y la ganancia de la segunda etapa, así como la primera es unitaria. La fuente debe ser simétrica de 5 a 12 V y la entrada es para señales de alta impedancia. Vea más sobre este circuito en la sección de matemáticas del sitio.




