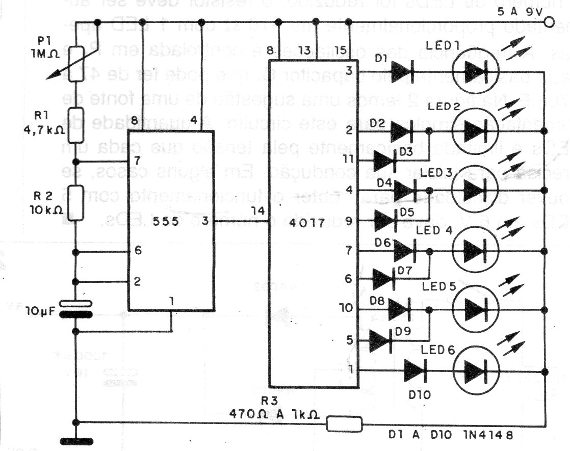
Este circuito de efecto de LED se ha encontrado en una documentación de 1995. Acciona 6 LEDs secuencialmente, mientras que los extremos se encienden por menos tiempo. El circuito puede ser alimentado por tensiones de 6 a 9 V y la velocidad se controla en P1.




