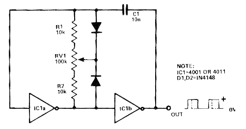
He encontrado este circuito en un artículo de la revista Electronics Today International de julio de 1979. Se trata de una configuración de astable utilizando dos puertas de un circuito integrado 4001 o 4011. Vea que para usar puertos NOR o NAND como inversores basta unir las entradas. En este circuito el tiempo en el nivel alto y en el nivel bajo pueden ser controlados por el potenciómetro RV1. En la sección de descargas simuladas también tenemos esta configuración en funcionamiento. Finalmente, en la sección de matemáticas para electrónica tenemos las fórmulas para calcular la frecuencia de este circuito. La alimentación se puede realizar por tensiones de 5 a 15 V.




