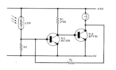
Este circuito fue publicado originalmente en una Practical Wireless de noviembre de 1977. La revista ya no existe pero el circuito se puede montar utilizando uno, BC549 en lugar del BC109 y un BD135 en lugar del BFY51. Lo que el circuito hace es encender una lámpara indicadora cuando incide la luz en el LDR. El resistor de realimentación acelera la conmutación dando un efecto de desencadenador. R2 debe tener de 10k a 100k según la intensidad de luz detectada valiéndolo para RF.




