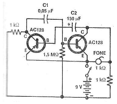
He encontrado este circuito en una revista de 1971. Sin embargo, el circuito es actual si cambiamos los transistores por los BC558. El auricular debe ser magnético de 2k de impedancia, pero en su defecto se puede utilizar un auricular piezoeléctrico en paralelo con un resistor de 2k2. El circuito es alimentado por batería de 9 V, pero tiene un consumo muy bajo. Ver en la sección de matemáticas para electrónica en multivibrador astable como calcular los componentes de este circuito.




