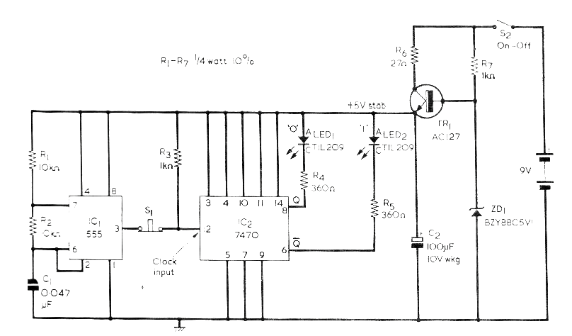
El circuito presentado fue encontrado en una Radio & Electronics Constructor de 1976. La revista ya no existe, pero los componentes son comunes. El transistor puede ser reemplazado por el BC548. En realidad todo el sector regulador de tensión puede ser reemplazado por un moderno 7805. Presionando y soltando S1 sólo un LED se enciende.




