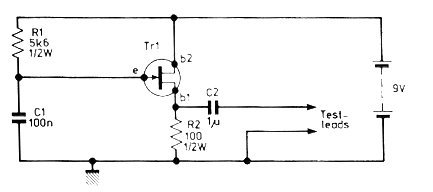
Este simple oscilador fue encontrado en una revista que ya no existe. Se trata de una Practical Wireless de mayo de 1980. Si bien los transistores unijuntura (UJT) ya no son muy usados, el proyecto es bastante interesante para entender cómo funciona un oscilador de relajación y utilizarlo en una aplicación práctica. R1 y C1 determinan la frecuencia de operación y el transistor unijuntura es un 2N2646.




