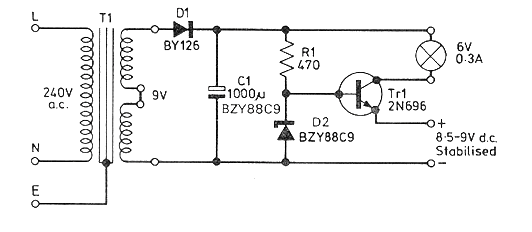
La interesante configuración presentada fue encontrada en una revista que ya no existe. Se trata de una práctica inalámbrica de mayo de 1980. El circuito es viable bastando con utilizar un BD135 en lugar del transistor original. El zener es de 8,9 V, pero puede cambiar si el lector desea otra tensión en la salida. La corriente máxima es del orden de 50 mA. La lámpara puede ser sustituida por una resistencia de 22 ohms. Para la red de 110 V o 220 V basta con cambiar el transformador. El secundario es de 9 V x 100 a 300 mA. El BY126 puede ser reemplazado por el 1N4002.




