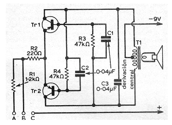
Este circuito fue encontrado en la revista Argentina Radio Chasis Televisíon de marzo de 1974. Esta revista ya no existe, pero existen muchos proyectos que pueden ser montados, bastando intercambiar algunos componentes por equivalentes más modernos. En este circuito una llave de dos posiciones se utiliza para generar dos tonos diferentes en un oscilador que se puede utilizar en timbres de puerta o sistemas de llamada. Los transistores pueden ser los BC548 y el transformador puede ser del tipo de salida, encontrado en antiguos radios y grabadores transistorizados, alimentados por pilas. Los componentes pueden necesitar cambios principalmente en los condensadores. El circuito también funcionará con 6 V.




