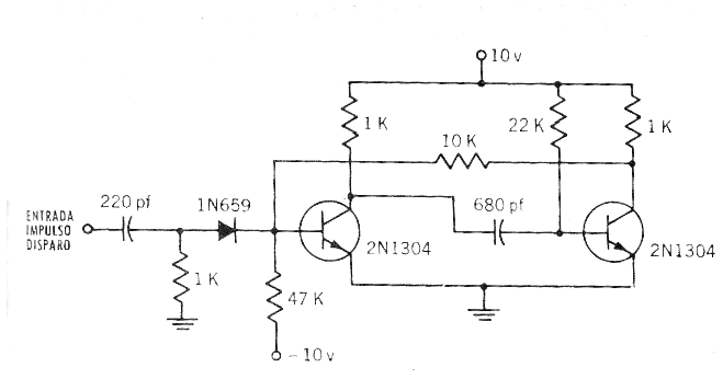
Este circuito fue encontrado en la revista Argentina Radio Chasis Televisíon de marzo de 1974. Esta revista ya no existe, pero existen muchos proyectos que pueden ser montados, bastando intercambiar algunos componentes por equivalentes más modernos. En este circuito los transistores pueden ser los 2N2222. El diodo puede ser el 1N4148 y la alimentación se realiza por una fuente simétrica de 10 V. La señal se retira del colector del segundo transistor.




