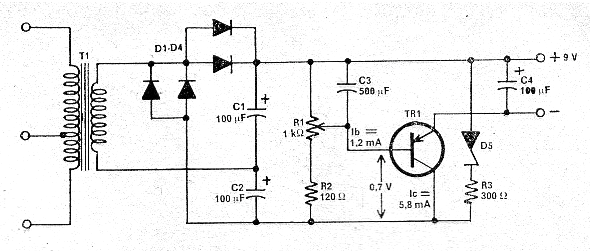
Me encontré este circuito en una revista francesa Radio Constructeur de 1968, salva de inundación (de ahí el escaneado un tanto como borrado). El transformador es de 9 o 12 V de tensión de secundario y el transistor el BD136 para corrientes hasta 500 mA de salida. El zener es de 9 V. Los diodos rectificadores, en realidad no necesitan ser dos en paralelo, bastando usar un 1N4002 en cada caso.




