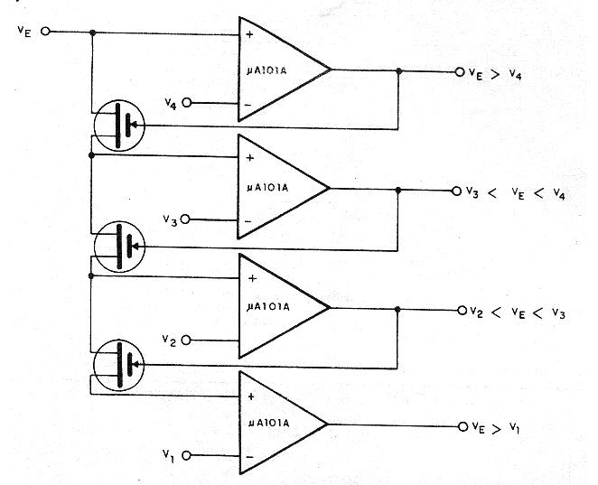
Este circuito proporciona salidas que dependen del valor de la tensión de entrada dentro de una pista determinada por las tensiones de referencia. Los FET pueden ser prácticamente de cualquier tipo y la fuente de alimentación de los integrados debe ser simétrica. Los comparadores equivalentes al CI utilizado pueden ser empleados, ya que se trata de un tipo relativamente antiguo.




