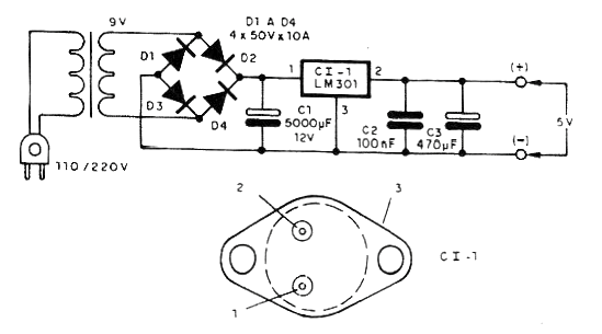
Esta fuente utiliza un único circuito integrado regulador LM301 para proporcionar una tensión de salida de 5 V con corriente hasta 5 A. Este circuito integrado ya no es muy común, pero si se encuentra resulta un excelente proyecto de fuente TTL.

Esta fuente utiliza un único circuito integrado regulador LM301 para proporcionar una tensión de salida de 5 V con corriente hasta 5 A. Este circuito integrado ya no es muy común, pero si se encuentra resulta un excelente proyecto de fuente TTL.
