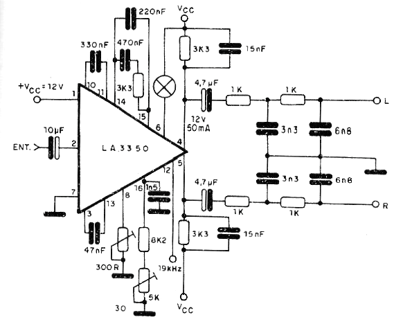
Este circuito es sugerido por Sanyo siendo encontrado en equipos receptores de FM antiguos de esta empresa. El circuito utiliza un componente no muy común en nuestros días, el LA3350, que activa una lámpara indicadora de 12 V x 50 mA cuando una señal estéreo se sintoniza con un nivel suficiente para la decodificación.




