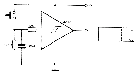
La finalidad de este circuito es evitar el repique (bounce) en circuitos con llaves o incluso sensores. Así, al presionar la llave se garantiza que en la salida se genere pulso único cuya duración depende básicamente del circuito RC de entrada. Una de las puertas del 4093 se utiliza como inversor. Para ello, las dos entradas se unen juntas.




