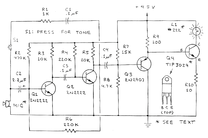
He encontrado en una revista de 1990, que ya no existe, la Modern Electronics de los Estados Unidos. Se trata de un modulador para un intercomunicador óptico. La señal es amplificada excitando una lámpara incandescente de 4,5 V; El circuito también debe funcionar con lámparas de 6 V. Recordamos que la respuesta de frecuencia de este circuito está limitada a poco más de 1 kHz, limitándose a las comunicaciones de voz.




