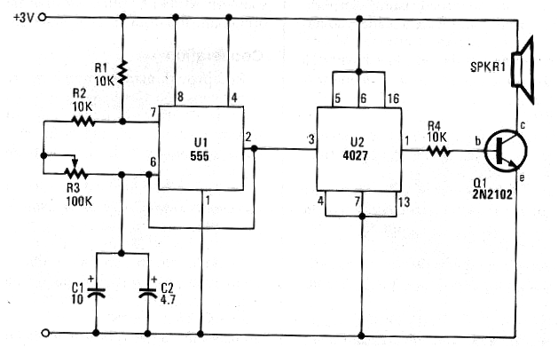
He encontrado este circuito de metrónomo en una Hands-On Electronics de 1986. Esta revista americana ya no existe, pero el circuito es totalmente viable por los componentes que usa. El circuito se alimenta con 3 V, pero si cambiamos el transistor por un BD135 con disipador, el circuito puede funcionar con tensiones de 6 V a 12 V. El altavoz es de 4 ohms y 8 ohms.




