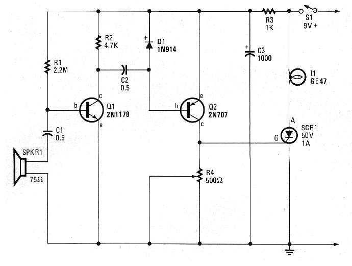
He encontrado este circuito en un Hands On de 1986. Esta revista americana ya no existe, pero el circuito puede todavía ser montado con facilidad, pues sus componentes son comunes. El micrófono es de baja impedancia o un altavoz y la carga de una lámpara. Se puede utilizar en su lugar un relé. La alimentación se puede hacer con tensiones de 9 a 12 V y el potenciómetro ajusta el punto de disparo.




