a
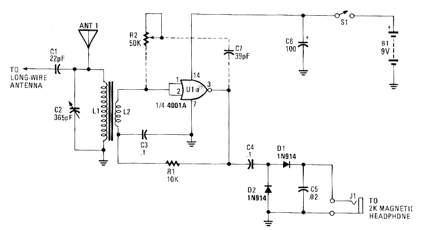
He encontrado este circuito en un Hands On de 1986. Esta revista americana ya no existe, pero el circuito puede todavía ser montado con facilidad, pues sus componentes son comunes. El circuito proporciona salida para auriculares o para un amplificador y se debe utilizar una buena antena. La bobina L1 está formada por 80 a 100 vueltas de cable AWG 28 en un bastón de ferrita de 10 a 15 cm de longitud y L2 está formada por 10 a 12 espiras del mismo hilo sobre L1. C2 es un capacitor variable obtenido de una radio AM común. La alimentación se puede hacer con tensiones de 9 a 12 V y el potenciómetro ajusta el punto de funcionamiento.C7 puede ser necesario para obtener un mejor rendimiento.




