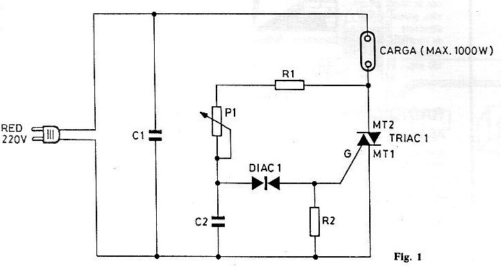
Este regulador de luz o dimmer salió en una Revista Radiorama de España en una edición de 1986. El circuito es el tradicional dimmer con triac pudiendo ser montado con facilidad aún en nuestros días. Los componentes son comunes.
Este circuito con alta impedancia de entrada se encontró en una Popular Electronics de los años...
Este circuito se obtuvo de una antigua documentación estadounidense, pero aparece en otras partes de...
Este circuito es del manual CMOS de National Semiconductor de 1977. Lo que este circuito hace es...