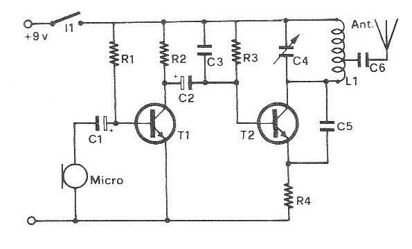
Este circuito es de una revista italiana llamada Radio Elettronica, de una edición de 1989. El circuito es perfectamente viable en nuestros días, bastando intercambiar T1 por un BC548 y T2 por un 2N2222 o BF494. La bobina está formada por 2 + 2 espiras de hilo 26 o 28 en forma sin núcleo de 1 cm de diámetro y la antena debe tener de 12 a 20 cm de longitud. El micrófono es cerámico o de cristal.





