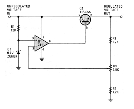
El circuito presentado fue encontrado en un Hands On Electronics (USA) de 1987. La revista ya no existe, pero el circuito se puede montar fácilmente. El transistor debe estar dotado de disipador y la tensión de salida es determinada por el zener. La tensión de entrada debe quedar al menos 3 V por encima de la que se desea obtener en la salida y la corriente máxima es del orden de 3 A.




