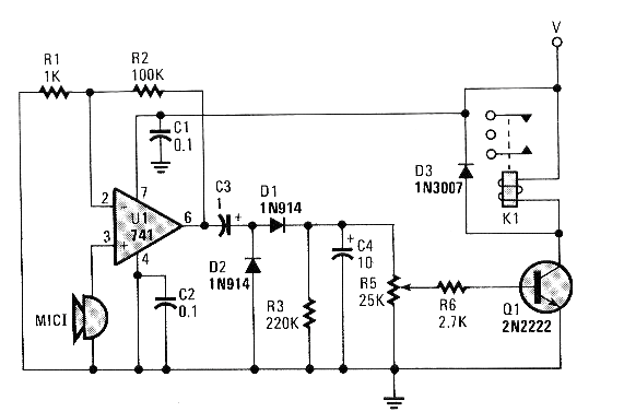
Este circuito fue encontrado en una revista Hands On Electronics de octubre de 1987. Consta de una llave sónica o VOX que acciona un relé al captar un sonido por el micrófono. El punto de disparo se ajusta en el relé. El micrófono debe ser magnético o piezoeléctrico. La alimentación debe realizarse con tensiones de 6 a 12 V según el relé.




