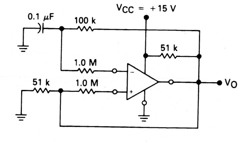
Esta configuración se puede encontrar en varios artículos de este sitio. La indicada en el diagrama es del datasheet de los amplificadores de la serie LM101, pero puede ser implementada con otros tipos. La frecuencia es dada por el capacitor.
Un comparador de tensión de precisión, usando diodo zener como referencia puede ser implementado con un...
Este pequeño radio experimental, muy simple, capta bien las estaciones locales de la banda de...
El oscilador rectangular presentado en la figura hace uso de una de las cuatro puertas NAND de un...